El problema de los diminutos ácaros que tienen sexo en nuestras caras
Cremas y productos para la exfoliación, humectación y protección solar son el estándar diario en la rutina de cuidado de la piel de muchas personas.
Te puede interesar
Con más gente y caras conocidas: así fue el Viernes Santo en el Calvario
Pero, ¿qué implica esto para los ácaros que limpian los poros y que pasan toda su vida viviendo en lo profundo de nuestras caras?
En las noches, los Demodex folliculorum, unos organismos de 0,3 mm de largo, salen de los poros para encontrar un nuevo folículo de piel, buscar pareja y aparearse.
-
Te puede interesar
Los motivos por los que Anses puede dar de baja la AUH o la SUAF
Pero un nuevo estudio descubrió que estos ácaros podrían estar enfrentando un problema, ya que su ADN se está erosionando, lo que significa que están cerca de la extinción.
Anfitriones de ácaros
Más del 90 % de nosotros somos anfitriones de estas "polillas" y les hemos brindado un hogar desde que nacemos, ya que se transmiten durante la lactancia.
Y de nada vale que te limpies y frotes cada centímetro de tu piel, seguirán allí: viven demasiado profundamente como para lavarlos.
Pero no hay que preocuparse por ellos.
Alejandra Perotti, de la Universidad de Reading, es coautora del estudio y dice que debemos estar "agradecidos" por ofrecerles un hogar a los ácaros y tener una relación tan íntima con ellos.
"Son muy pequeños y lindos. No hay nada de qué preocuparse por tenerlos. Limpian nuestros poros y los mantienen sanos", le dice a Radio 1 Newsbeat.

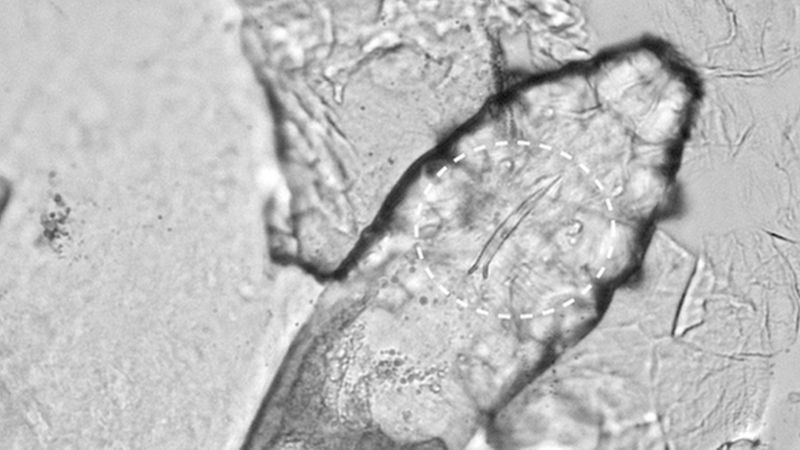
Así son los ácaros que viven en nuestra cara
"No te preocupes. Alégrate de tener una pequeña criatura microscópica viviendo contigo, no hacen ningún daño", agrega.
El estudio muestra cuán estrecha es nuestra relación con ellos, pero también cómo los ácaros tienen el menor número de genes de cualquier insecto, arácnido o crustáceo.
Nido de amor
El gen que protege el cuerpo de los ácaros de la luz ultravioleta se ha perdido, aunque solo están activos durante la noche.
"En la noche, mientras dormimos profundamente, visitan los poros para tener relaciones sexuales y tener bebés", explica Perotti.
Sí, estas criaturas usan nuestros poros como nido de amor.

El estudio muestra que a medida que su diversidad genética se reduce, su dependencia de nosotros aumenta, lo que significa que corren el riesgo de una posible extinción.
Por ejemplo, la investigación esperaba encontrar el gen que despierta a los ácaros y los hace dormir, pero no estaba presente.
En cambio, el organismo detecta la menor cantidad de hormonas secretadas en la piel mientras dormimos y es esto lo que hace que se despierte.
Nuevas adaptaciones
Estas adaptaciones están causando el problema.
Cuanto más se adapten a nosotros, más genes perderán y eventualmente se volverán completamente dependientes de nosotros para su existencia.
Debido a esta dependencia no podrán salir de nuestros poros y encontrar una nueva pareja con la que aparearse.

Entonces, ¿cuál es el problema si los perdemos?
"Están asociados con una piel sana, por lo que si los perdemos, podría tener problemas en la piel", agrega Perotti.

